ထုတ်ကုန်များ
12KV Outdoor Pole Mounted Circuit Breaker
  • 12KV Outdoor Pole Mounted Circuit Breaker12KV Outdoor Pole Mounted Circuit Breaker
  • 12KV Outdoor Pole Mounted Circuit Breaker12KV Outdoor Pole Mounted Circuit Breaker
  • 12KV Outdoor Pole Mounted Circuit Breaker12KV Outdoor Pole Mounted Circuit Breaker

12KV Outdoor Pole Mounted Circuit Breaker

Model:ZW20-12F
Anqiang Power သည် 12kV ပြင်ပတိုင်တပ်ဆင်ထားသော circuit breakers များကို တရုတ်နိုင်ငံမှ ထုတ်လုပ်သူဖြစ်သည်။ ဤအပြင်ဘက်တွင် ဝါးလုံးတပ်ဆင်ထားသော ဓာတ်အားဖြန့်ဖြူးရေးကိရိယာတွင် အဆင့်သတ်မှတ်ဗို့အား 12kV ရှိပြီး အဆင့်သုံးဆင့် AC 50Hz တွင် လုပ်ဆောင်သည်။ ၎င်းသည် ထိန်းချုပ်ကိရိယာဖြင့် အသုံးပြုသည့်အခါ ဖြန့်ဖြူးမှု အလိုအလျောက်စနစ်၏ လိုအပ်ချက်များနှင့် ကိုက်ညီသည့် အစွမ်းထက်သော ပြန်လည်ထုတ်ယူနိုင်သည့် စွမ်းရည်ပါရှိသည်။ ၎င်းကို 10kV ဓာတ်အားစနစ်များတွင် ဝန်အဖွင့်အပိတ်အဖွင့်အပိတ်ပြုလုပ်ရန်အတွက် အဓိကအားဖြင့် အသုံးပြုပြီး ဓာတ်အားခွဲရုံများနှင့် စက်မှုလုပ်ငန်းနှင့် သတ္တုတွင်းလုပ်ငန်းဖြန့်ဖြူးရေးစနစ်များတွင် အသုံးပြုပါသည်။

Anqiang မှထုတ်လုပ်သော ZW20-12F 12KV ပြင်ပတိုင်တပ်ဆင်ထားသော circuit breaker သည် vacuum circuit breaker၊ recloser နှင့် sectionalizer တို့၏လုပ်ဆောင်ချက်များကိုချောမွေ့စွာပေါင်းစပ်ထားသည်။  ၎င်း၏စက်ပစ္စည်း၏ အရံအတားသည် Toshiba ၏ VSP5 ၏ ဓာတ်ငွေ့အလုံပိတ်၊ ပေါက်ကွဲမှုဒဏ်ခံနိုင်မှုနှင့် လျှပ်ကာထည်နည်းပညာကို အသုံးပြုထားသည်။ အဝင်နှင့်အထွက် လိုင်းပိုက်များကို ပိုမိုကောင်းမွန်အောင် တံဆိပ်ခတ်ခြင်း စွမ်းဆောင်ရည်အတွက် လည်း မြှင့်တင်ထားပါသည်။ စပရိန်လည်ပတ်မှုယန္တရားအား သေးငယ်အောင်ပြုလုပ်ထားပြီး ပင်မပတ်လမ်းသည် ထိတွေ့မှုနည်းသည်။ ထို့ကြောင့် ဤပြင်ပဗို့အားမြင့် ဆားကစ်ဘရိတ်ကာသည် ပြုပြင်ထိန်းသိမ်းမှုကင်းသော ထုတ်ကုန်တစ်ခုဖြစ်ပြီး ဝါးလုံးတပ်ထားသော ဆားကစ်ဘရိတ်ကာများအတွက် ဦးစားပေးရွေးချယ်မှုဖြစ်သည်။

ထုတ်ကုန်အစစ်အမှန်ဓာတ်ပုံများ

12KV Outdoor Pole Mounted Circuit Breaker

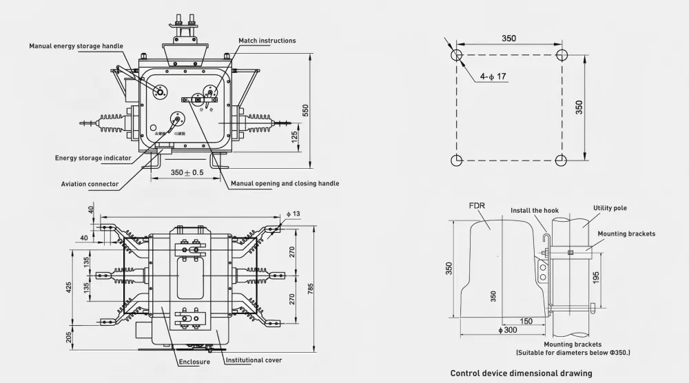
ထုတ်ကုန်အတိုင်းအတာ ဇယား

12KV Outdoor Pole Mounted Circuit Breaker

နည်းပညာဆိုင်ရာ ကန့်သတ်ချက်များ

ပရောဂျက်

ကန့်သတ်တန်ဖိုး

အဆင့်သတ်မှတ်ထားသော ဗို့အား

12kV

အဆင့်သတ်မှတ်ထားသော အကြိမ်ရေ

50Hz

လက်ရှိ အဆင့်သတ်မှတ်ထားသည်။

630/1000 A

တိုတောင်းသော circuit breaking လက်ရှိ အဆင့်သတ်မှတ်ထားသည်။

20/25 kA

အဆင့်သတ်မှတ်ထားသော အထွတ်အထိပ်သည် လက်ရှိကို ခံနိုင်ရည်ရှိသည်။

50/63 kA

အချိန်တိုအတွင်း လက်ရှိ ခံနိုင်ရည် အဆင့်သတ်မှတ်ထားသည်။

20/25 kA

တိုတောင်းသောလျှပ်စီးကြောင်းကို အဆင့်သတ်မှတ်ထားသည်။

50/63 kA

လည်ပတ်မှုအဆင့်သတ်မှတ်ထားသည်။

အဖွင့် - 0.3 စက္ကန့် - ပိတ် - 180 စက္ကန့် - ဖွင့် - ပိတ်

စက်ပိုင်းဆိုင်ရာဘဝ

10,000 ကြိမ်

လက်ရှိ ဖောက်ထွင်းစက်ဝန်းများကို အဆင့်သတ်မှတ်ထားသည်။

10,000 ကြိမ်

တိုတောင်းသော ပတ်လမ်းဖောက်ထွင်းနိုင်မှု အဆင့်သတ်မှတ်ထားသည်။

30 ကြိမ်

SF6 ဓာတ်ငွေ့အဆင့်သတ်မှတ်ထားသောဖိအား

0 Mpa


ထုတ်ကုန်အားသာချက်များ

ဤ 12kV ပြင်ပတိုင်တွင်တပ်ဆင်ထားသော circuit breaker သည် overcurrent protection နှင့် ယန္တရားစပရိန်စွမ်းအင်သိုလှောင်မှုညွှန်ပြချက်ပါရှိသည်။  ၎င်းတွင် ဉာဏ်ရည်ထက်မြက်သော ထိန်းချုပ်ကိရိယာများနှင့် ပေါင်းစပ်မှုကို လွယ်ကူချောမွေ့စေမည့် ဒုတိယလျှပ်စစ်ချိတ်ဆက်မှုအတွက် လေကြောင်းချိတ်ဆက်ကိရိယာတစ်ခုလည်း တပ်ဆင်ထားသည်။ ၎င်း၏အလွန်ကောင်းမွန်သောလျှပ်စစ်နှင့်စက်ပိုင်းဆိုင်ရာစွမ်းဆောင်ရည်သည် ZW20-12F ပြင်ပဝင်ရိုးစွန်းတွင်တပ်ဆင်ထားသောလေဟာနယ်ဆားကစ်ဘရိတ်ကိုတွင်ကျယ်စွာအသုံးပြုနိုင်စေသည်။


Hot Tags: 12KV Outdoor Pole Mounted Circuit Breaker၊ Outdoor Electrical Circuit Breaker၊ High Voltage Circuit Breaker ထုတ်လုပ်သူ
ဆက်စပ်အမျိုးအစား
စုံစမ်းမေးမြန်းရန်ပေးပို့ပါ။
ဆက်သွယ်ရန်အချက်အလက်
  • လိပ်စာ

    Jinlu စက်မှုဇုန်၊ Beibaixiang မြို့၊ Yueqing မြို့၊ Wenzhou မြို့၊ Zhejiang ပြည်နယ်၊ တရုတ်

  • Tel

  • အီးမေး

    john@chaqele.com

Circuit Breaker၊ Load Switch၊ Disconnect Switch သို့မဟုတ် စျေးနှုန်းစာရင်းအကြောင်း စုံစမ်းမေးမြန်းလိုပါက သင့်အီးမေးလ်ကို ကျွန်ုပ်တို့ထံ ထားခဲ့ပါ၊ ကျွန်ုပ်တို့ထံ 24 နာရီအတွင်း ဆက်သွယ်ပေးပါမည်။
သတင်းအကြံပြုချက်များ
X
သင့်အား ပိုမိုကောင်းမွန်သောကြည့်ရှုမှုအတွေ့အကြုံကို ပေးဆောင်ရန်၊ ဆိုက်အသွားအလာကို ပိုင်းခြားစိတ်ဖြာပြီး အကြောင်းအရာကို ပုဂ္ဂိုလ်ရေးသီးသန့်ပြုလုပ်ရန် ကျွန်ုပ်တို့သည် ကွတ်ကီးများကို အသုံးပြုပါသည်။ ဤဆိုက်ကိုအသုံးပြုခြင်းဖြင့် ကျွန်ုပ်တို့၏ cookies အသုံးပြုမှုကို သင်သဘောတူပါသည်။ ကိုယ်ရေးအချက်အလက်မူဝါဒ
ငြင်းပယ်ပါ။ လက်ခံပါတယ်။